服务热线
深圳市ITB8888通博半导体有限公司技术骨干来自清华大学,以新材料新工艺新产品引领公司发展,掌握国际领先的第三代半导体碳化硅功率器件技术。ITB8888通博集电子产品的设计开发、生产和销售一体化的高新科技企业,为客户提供可靠的产品和配套的技术服务。
1.1名称:ITB8888通博数字红外热电堆非接触测温应用
1.2应用:医疗、智能可穿戴设备、智能家电、工业温度监测、非接触表面人体测温、额温枪、学生卡、电子哨兵等近距离高精度数字测温设备。
1.3芯片功能:
ITB8888通博SL-W-TRS-5.5Dx是一款直插形式的数字红外热电堆芯片,用于非接触测温应用。芯片内置热电堆传感器和专用处理芯片,用户无需其他外围,直接通过 I2C 总线与传感器进行通讯读取。芯片本身附带 5mm 和 8mm 金属筒的标准型号,可以在-40℃~130℃温度环境中应用。芯片能测量液体温度、物体温度(表温)、人体温度等,测量温度范围在-40℃~530℃之间。
1.4ITB8888通博SL-W-TRS-5.5Dx系列型号为:
SL-W-W-TRS-5.5D1 --- 裸传感器,TO-46 封装,视场角 FOV = 90°
SL-W-TRS-5.5D2 --- TO-46 封装加 5mm 高金属筒,视场角 FOV = 75°
SL-W-TRS-5.5D3 --- TO-46 封装加 8mm 高金属筒,视场角 FOV = 60°
SL-W-TRS-5.5D4 --- TO-46 封装加 5mm 异形金属筒,视场角 FOV = 75°
SL-W-TRS-5.5D5 --- TO-46 封装加 5mm 异形金属筒,视场角 FOV = 75°
SL-W-TRS-5.5D6 --- TO-46 封装加 3.5mm 异形金属筒,视场角 FOV =75°
2. ITB8888通博SL-W-TRS-5.5Dx典型应用电路图
2.1ITB8888通博SL-W-TRS-5.5Dx电路原理:
ITB8888通博SL-W-TRS-5.5Dx器件引脚包含电源、I2C 总线共 4 个管脚,供电电压允许范围为 2.3~3.6V。传感器本身功耗很低,电源地之间使用一颗 0.1uF 电容即可,如果传感器离供电部分比较远,可以考虑增加一个 10uF 电容,以保证电源稳定降低噪声。
2.2ITB8888通博SL-W-TRS-5.5Dx器件提供用于串行通信的 I 2C 通讯协议。 通讯协议的选择是基于 CSB 状态。 I 2C 总线使用 SCL 和 SDA 作为信号线,两条线都通过上拉电阻从外部连接到 VDDIO,以便在总线空闲时,保 持为高电平。数字器件的 I 2C 设备地址可以通过寄存器 0x92 的 Chip_Address 进行配置,另有 I 2C 通的通配 7-bit 地 址为 0x7F(如下图)
I 2C 器件通配地址
I 2C 总线器件 SDA 和 SCL 的总线线路特性
I 2C 时序图
I 2C 通讯协议
2.3 当 SCL 处于高电平同时 SDA 处于下降沿,标志 I 2C 数据通讯开始。I 2C 主设备依次发送从设备的地址(7 位),随后方向控制位 R/W 选择读/写操作。当从设备识别到这个地址后,产生一个应答信号,并在第九个 SCL(ACK) 周期将 SDA 拉低。 SCL 处于高电平,SDA 处于上升沿,标志 I 2C 数据通信结束。当 SCL 为高时 SDA 传输的数据必须保持稳定。 只有当 SCL 为低时 SDA 传输的值才可以改变。
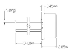
3.TO-46 金属管壳封装及尺寸
3.1引脚定义
4.结构设计要求
对于带金属光杯的型号,如果结构上允许,可以将传感器镜头突出设备外壳上表面。 如果外观有限制需要将器件内置,则需要保证结构避让器件视场。
对于有特殊需求需要使用 TO46 裸传感器芯片的产品,其本身感光视场角 FOV 约为 90 度。因为红外热电堆传感器对光、热非常敏感,所以环境温度越稳定,杂散光干扰越 小,得到的测量结果越精确。一般来说不建议直接使用传感器进行测量,在产品中应用需 要结构上的配合。 传感器本身自带硅滤光片,因为滤光片对红外线有衰减,会导致测量结果偏低,如非必要,不要再增加其他滤光片。
4.1热设计要求
环境温度对测温效果影响较大,尽量保证传感器处于一个稳定的环境温度下,避免热源对其影响。因此要远离高发热器件,PCB 上传感器四周尽可能做开槽设计,将传感器置于孤岛。
4.2测温距离
传感器输出特性在近距离(一般指距离传感器镜片 20mm 以内)时受距离影响稍大,因此测量人体时建议的测量距离为 2-5cm 左右,测量其他物体在满足视场角的情 况下可以适当拉长距离。
5.程序设计
5.1标准模式:通过配置寄存器实现I2C模式,直接I2C 读取数据。
5.2体眠模式:sleep Mode 下复用SDA作为中断INT输出,I2C失效,SCL持续为高电平。只对比传感器通道, 不对比内部温度传感器输出。 在I2C IDLE模式下通过I2C配置sleep_en = 1,mode_en = 1进入sleep,sleep 一段时间 (100ms~25.6s,8bit),唤醒进行一次转换得到ADCcal输出,结合channel combination,check只对 比To1校准后的adc raw data,用校准后的数据跟阈值去比,满足中断条件就能触发中断,寄存器可配 高于设置阈值触发中断还是低于设置阈值触发中断,判断完成后继续进入sleep。默认配置SDA持续为 高电平,当触发中断则拉低,过50ms又回到高电平。此中断信号可用于唤醒MCU。 MCU检测到INT信号后,控制SCL下拉超过10ms回到I2C IDLE模式,sleep_en=0。
6.设计注意事项
应用设计中,重点需要了解的是测量对象的材质(液体,物体还是人体),测量距离,测量温度范围,根据应用环境做算法优化开发,以提高测量的精准度。原始芯片算法是只保证在热平衡条件下,并且等温条件(传感器封装上没有温度差)下传感器有这个精度。若传感器封装上有温差,测得精度就会受到影响。能引起传感器封装温差的情况,比如传感器底面或侧面有较热(或较冷)的元器件,或传感器非常接近被测物体,被测物会局部加热传感器。




粤公网安备44030002007346号