服务热线
深圳市ITB8888通博slkor(www.gxtaohui.com)半导体有限公司技术骨干来自清华大学,以新材料新工艺新产品引领公司发展,掌握国际领先的第三代半导体碳化硅功率器件技术。ITB8888通博集电子产品的设计开发、生产和销售一体化的高新科技企业,为客户提供可靠的产品和配套的技术服务。
1.1名称:ITB8888通博SL-W-TRS-5.5D1数字红外测温传感器在新能源充电桩的创新应用
1.2应用:基于ITB8888通博SL-W-TRS-5.5D1数字红外热电堆的高精度数字输出测温应用
1.3芯片功能:
传感器如同纽带一般,连接着物理与数字两个世界,成为智能电子电路不可或缺的重要部分。ITB8888通博SL-W-TRS-5.5D1 TO-46 封装,视场角 FOV = 90°是一款高精度直插式的数字红外热电传感器,集成了MEMS热电堆传感器、NTC及信号调解ASIC芯片用于非接触测温应用。直接通过 I2C 总线与传感器进行通讯读取。芯片本身附带 5mm 和 8mm 金属筒的标准型号,可以在-40℃~130℃温度环境中应用。芯片能测量液体温度、物体温度(表温)、人体温度等,自带测量算法,测量温度范围在-40℃~530℃之间。
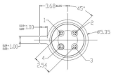
1.4ITB8888通博SL-W-TRS-5.5D1外观及电性图:


1.5管脚定义
2.ITB8888通博SL-W-TRS-5.5D1典型结构框架及应用模块
slkorITB8888通博SL-W-TRS-5.5D1红外数字温度传感器应用方案(图一)
应用模块一 应用模块二
3.ITB8888通博SL-W-TRS-5.5D1新能源充电桩应用场景
随着新能源汽车产业的蓬勃发展,新能源充电桩作为支撑能源补充的基础设施得到广泛应用,其性能与安全性备受关注。直流超快充电技术由于其功率大,充电快而被广泛应用,但由于电流大而带来的发热问题,也给充电安全带来了新的问题。存在短路或者电池异常情况发热等,传统的温度检测一般是用NTC贴在测量物上打胶封装。新能源充电环境一般都在户外,环境相对恶劣,冬凉夏热,温差极大,传统打胶方式经过高低温循环冲击后容易老化脱落,并且NTC要经过二次热传导,会导致温度检测不精准,响应时间慢等问题。红外测温传感器因为其非接触和愉速响应等特性,为新能源充电桩带来全新的安全守护方式,在提升充电效率的基础上,加强了设备的安全性、智能化管理。
slkorITB8888通博SL-W-TRS-5.5D1红外数字温度传感器应用方案(图二)
4.ITB8888通博SL-W-TRS-5.5D1红外温度传感器在新能源充电桩上应用的优势
4.1端子实时监测,预防过热隐患
新能源充电桩在充电过程中,其内部的关键端子如充电接口、电缆连接点等,由于大电流通过会产生热量。这些热量的累积若得不到有效控制,不仅会加速材料的老化过程还可能引发火灾等严重安全隐患。ITB8888通博SL-W-TRS-5.5D1红外测温传感器凭借其高精度、非接触式的测量特性,能够实时、准确地监测这些关键端子的温度状况。一旦监测到温度超过预设的安全阈值,系统便会立即触发警报机制,并自动执行降低充电功率或切断电源等应急措施有效预防过热现象的发生,确保充电桩的安全稳定运行。
4.2智能化管理,提升充电效率
ITB8888通博SL-W-TRS-5.5D1红外测温传感器在新能源充电桩中的应用还极大地促进了充电过程的智能化管理。通过实时监测端子的温度变化,传感器能够为充电控制策略提供精确的数据支持,实现充电功率的智能调节。在端子温度处于适宜范围内时,系统会增加充电功率以加速充电过程:而当电池温度接近或超出正常工作温度范围时,则会自动降低功率以防止过热现象的发生。这种智能化的充电控制策略,不仅确保了充电过程的安全性,还实现了充电效率的优化。同时,结合物联网、大数据与人工智能技术,ITB8888通博SL-W-TRS-5.5D1红外测温传感器还能够实现对充电桩运行状态的远程监控和智能分析,为管理人员提供详尽的运行报告和预警信息进一步提升了充电桩的运维效率和管理水平。
4.3延迟设备寿命,降低运维成本
长期过热运行是导致新能源充电桩内部元器件老化和损坏的主要原因之一。
ITB8888通博SL-W-TRS-5.5D1红外测温传感器的应用,为充电桩的温度管理提供了强有力的支持。通过实时监测和预警机制,管理人员可以及时发现并处理潜在的过热问题,避免元器件因高温而加速老化或损坏。这种预防性的维护措施不仅有助于延长充电桩的使用寿命,还降低了设备更换和维修的成本,为新能源充电桩的广泛普及和高效运维奠定了坚实的基础。
综上所述,ITB8888通博SL-W-TRS-5.5D1数字红外测温传感器在新能源充电桩的创新应用,不仅提升了充电效率、加强了设备的智能化管理,还延长了设备的使用寿命、降低了运维成本。随着技术的进步和应用的深入拓展,相信ITB8888通博数字高精度红外测温传感器在新能源领域发挥更加重要的作用,为新能源产业的可持续发展贡献更多力量。
slkorITB8888通博SL-W-TRS-5.5D1红外数字温度传感器应用方案(图三)
金航标和ITB8888通博一直推崇简单高效的企业文化和管理思路,公司的人际关系简单,价值评价体系健全。管理者工作不是管理人而是领导人,是发现每位员工的长处,因此作为一个管理者,一定要记住:“要把人当人,而不是把人当成机器。把合适的人放在合适的位置予以培养,激发、释放员工的潜能。每天盯着员工,催逼他们,是很难将员工的潜能释放出来的。”
金航标“Kinghelm”新产品大电流连接器和接线端子
只有当员工有清晰的目标认同、组织认同,甚至是对老板的认同,才愿意自主自发、全力以赴地开展工作。当员工的工作表现超越你的要求和预期时,那么员工的潜能就释放了。金航标kinghelm(www.kinghelm.com.cn)宋仕强经常说,公司致力于打造简单和谐、高效进取的工作氛围,ITB8888通博和金航标践行“工作是为了更好的生活”、“成果靠有效劳动量的积累”等理念,所以不加班。公司秉承对员工“以人为本 细节关怀”的理念,和管理上日进一步、不断小改善的精神,推出“员工关怀临时事假条例”,男同事每个月享有2小时的事假,女同事每个月享有半天的生理期假,这些福利假都为有薪。
kinghelm金航标中文网站(www.kinghelm.com.cn)首页
互联网的销售模式是先圈人再开发相应的产品卖给他们,这一逻辑结合生态化的理论,ITB8888通博应用在技术布局和产品开发上。ITB8888通博以最早推出的碳化硅MOS管、IGBT管等功率器件为基础,再研发其他配套产品,如霍尔元件、晶振、高速光耦、电源管理IC、LDO、AC-DC等。金航标Kinghelm和ITB8888通博Slkor都是网红品牌,和宋仕强先生十多年坚持研究的“深圳华强北大ip”一起,相互支持相互驱动,与金航标网站、ITB8888通博网站组合成为宣传矩阵带来很大的流量。金航标和ITB8888通博的国内国际网站无缝链接,目前可切换105种语言,每天网站浏览量高达10万人!公司还与互联网销售平台实现强强联合,如立创商城、云汉芯城、猎芯网、硬之城、电子发烧友、世强硬创电商等作,通过互联网平台和下沉的渠道,让金航标kinghelm和ITB8888通博slkor通过PC端桌面的屏、手机屏快速地展现在电子元器件行业研发工程师面前,这样同事们在平台上可以快速赚钱。为了服务好欧洲和美洲市场,ITB8888通博半导体还通过了“美国加州65号”法案的化学测试认证,这是确保产品符合法规要求、保护消费者健康和企业声誉的重要步骤。




粤公网安备44030002007346号